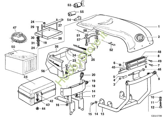
Cofano ad iniezione KAM 4 (Fino/Until 2012) Motocoltivatore

Motocoltivatori KAM 4 (Fino/Until 2012) Motocoltivatore Cofano ad iniezione della marca Nibbi
PAga in tre rate con Klarna
PAga in tre rate con Klarna
PAga in tre rate con Klarna black
Produttore:: NIBBI

In caso di ordine dei ricambi, se non immediatamente disponibili a magazzino, le tempistiche possono arrivare fino a 7-18 GIORNI LAVORATIVI..

...in caso di ordine ricorda di scrivere nel campo note varie IL SERIALE DELLA TUA MACCHINA, L'ANNO DI ACQUISTO ECC.. Questo per agevolare il nostro staff nella individuazione dei ricambi corretti.

...In caso di mancata trasmissione di tali informazioni, saremo costretti ad applicare una penale del 20% sul valore del ricambio in caso di richiesta di rimborso o di sostituzione.

ATTENZIONE: Se nella lista sotto non compaiono i relativi ricambi riportati nell'esploso

...significa che  non è possibile più acquistarli in quanto NON PIU' FORNIBILI E/O OBSOLETI

In caso di ordine di ricambi per il tuo prodotto KAM 4 (Fino/Until 2012) Motocoltivatore della Nibbi, per permettere al nostro staff di spedirti i ricambi corretti, inserire, nella pagina finale del carrello nel campo Note varie, anno della macchina e, se disponibile, il suo numero di matricola.

In caso di ordine di ricambi per il tuo prodotto KAM 4 (Fino/Until 2012) Motocoltivatore della Nibbi, per permettere al nostro staff di spedirti i ricambi corretti, inserire, nella pagina finale del carrello nel campo Note varie, anno della macchina e, se disponibile, il suo numero di matricola.

1 Cofano Honda GX270; Honda
Ricambio Cofano Honda GX270; Honda Cofano ad iniezione KAM 4 (Fino/Until 2012) Motocoltivatore della marca Nibbi Richiede pezzi:1
€52,73 IVA inc.
Spedire a
*
*
Metodo di spedizione
Nome
Stima di spedizione
Costo
Stima Spedizione non possibile
+ -
1 Su richiesta; Upon request
Ricambio Su richiesta; Upon request Cofano ad iniezione KAM 4 (Fino/Until 2012) Motocoltivatore della marca Nibbi
€11,81 IVA inc.
Spedire a
*
*
Metodo di spedizione
Nome
Stima di spedizione
Costo
Stima Spedizione non possibile
+ -
1 Dado
Motocoltivatori KAM 4 (Fino/Until 2012) Motocoltivatore Cofano ad iniezione della marca Nibbi
€2,15 IVA inc.
Spedire a
*
*
Metodo di spedizione
Nome
Stima di spedizione
Costo
Stima Spedizione non possibile
+ -
1 Dado
Motocoltivatori KAM 4 (Fino/Until 2012) Motocoltivatore Cofano ad iniezione della marca Nibbi
€0,88 IVA inc.
Spedire a
*
*
Metodo di spedizione
Nome
Stima di spedizione
Costo
Stima Spedizione non possibile
+ -
1 Vite
Motocoltivatori KAM 4 (Fino/Until 2012) Motocoltivatore Cofano ad iniezione della marca Nibbi
€2,39 IVA inc.
Spedire a
*
*
Metodo di spedizione
Nome
Stima di spedizione
Costo
Stima Spedizione non possibile
+ -
1 Grigio; Grey
Ricambio Grigio; Grey Cofano ad iniezione KAM 4 (Fino/Until 2012) Motocoltivatore della marca Nibbi
€11,27 IVA inc.
Spedire a
*
*
Metodo di spedizione
Nome
Stima di spedizione
Costo
Stima Spedizione non possibile
+ -
1 Tappo
Motocoltivatori KAM 4 (Fino/Until 2012) Motocoltivatore Cofano ad iniezione della marca Nibbi
€7,61 IVA inc.
Spedire a
*
*
Metodo di spedizione
Nome
Stima di spedizione
Costo
Stima Spedizione non possibile
+ -
1 15LD400; 15LD400 AE;
Ricambio 15LD400; 15LD400 AE; Cofano ad iniezione KAM 4 (Fino/Until 2012) Motocoltivatore della marca Nibbi
€1,95 IVA inc.
Spedire a
*
*
Metodo di spedizione
Nome
Stima di spedizione
Costo
Stima Spedizione non possibile
+ -
1 Honda GX160
Ricambio Honda GX160 Cofano ad iniezione KAM 4 (Fino/Until 2012) Motocoltivatore della marca Nibbi
€1,95 IVA inc.
Spedire a
*
*
Metodo di spedizione
Nome
Stima di spedizione
Costo
Stima Spedizione non possibile
+ -
1 15LD400; 15LD400 AE;
Ricambio 15LD400; 15LD400 AE; Cofano ad iniezione KAM 4 (Fino/Until 2012) Motocoltivatore della marca Nibbi
€1,32 IVA inc.
Spedire a
*
*
Metodo di spedizione
Nome
Stima di spedizione
Costo
Stima Spedizione non possibile
+ -
1 Honda GX160
Ricambio Honda GX160 Cofano ad iniezione KAM 4 (Fino/Until 2012) Motocoltivatore della marca Nibbi
€4,98 IVA inc.
Spedire a
*
*
Metodo di spedizione
Nome
Stima di spedizione
Costo
Stima Spedizione non possibile
+ -
1 Honda GX160
Ricambio Honda GX160 Cofano ad iniezione KAM 4 (Fino/Until 2012) Motocoltivatore della marca Nibbi
€2,10 IVA inc.
Spedire a
*
*
Metodo di spedizione
Nome
Stima di spedizione
Costo
Stima Spedizione non possibile
+ -
1 Honda GX160
Ricambio Honda GX160 Cofano ad iniezione KAM 4 (Fino/Until 2012) Motocoltivatore della marca Nibbi
€2,83 IVA inc.
Spedire a
*
*
Metodo di spedizione
Nome
Stima di spedizione
Costo
Stima Spedizione non possibile
+ -
1 15LD400; 15LD400 AE;
Ricambio 15LD400; 15LD400 AE; Cofano ad iniezione KAM 4 (Fino/Until 2012) Motocoltivatore della marca Nibbi
€2,54 IVA inc.
Spedire a
*
*
Metodo di spedizione
Nome
Stima di spedizione
Costo
Stima Spedizione non possibile
+ -
1 IM359; IM349; IM359 AE;
Ricambio IM359; IM349; IM359 AE; Cofano ad iniezione KAM 4 (Fino/Until 2012) Motocoltivatore della marca Nibbi
€5,56 IVA inc.
Spedire a
*
*
Metodo di spedizione
Nome
Stima di spedizione
Costo
Stima Spedizione non possibile
+ -
1 Dado
Motocoltivatori KAM 4 (Fino/Until 2012) Motocoltivatore Cofano ad iniezione della marca Nibbi
€1,56 IVA inc.
Spedire a
*
*
Metodo di spedizione
Nome
Stima di spedizione
Costo
Stima Spedizione non possibile
+ -
1 15LD400; 15LD400 AE;
Ricambio 15LD400; 15LD400 AE; Cofano ad iniezione KAM 4 (Fino/Until 2012) Motocoltivatore della marca Nibbi
€75,44 IVA inc.
Spedire a
*
*
Metodo di spedizione
Nome
Stima di spedizione
Costo
Stima Spedizione non possibile
+ -
1 Gommino
Motocoltivatori KAM 4 (Fino/Until 2012) Motocoltivatore Cofano ad iniezione della marca Nibbi
€3,76 IVA inc.
Spedire a
*
*
Metodo di spedizione
Nome
Stima di spedizione
Costo
Stima Spedizione non possibile
+ -
1 block
Ricambio block Cofano ad iniezione KAM 4 (Fino/Until 2012) Motocoltivatore della marca Nibbi
€13,47 IVA inc.
Spedire a
*
*
Metodo di spedizione
Nome
Stima di spedizione
Costo
Stima Spedizione non possibile
+ -
1 15LD400; 15LD400 AE;
Ricambio 15LD400; 15LD400 AE; Cofano ad iniezione KAM 4 (Fino/Until 2012) Motocoltivatore della marca Nibbi
€7,76 IVA inc.
Spedire a
*
*
Metodo di spedizione
Nome
Stima di spedizione
Costo
Stima Spedizione non possibile
+ -
1 15LD400; 15LD400 AE;
Ricambio 15LD400; 15LD400 AE; Cofano ad iniezione KAM 4 (Fino/Until 2012) Motocoltivatore della marca Nibbi
€4,98 IVA inc.
Spedire a
*
*
Metodo di spedizione
Nome
Stima di spedizione
Costo
Stima Spedizione non possibile
+ -
1 15LD400; 15LD400 AE;
Ricambio 15LD400; 15LD400 AE; Cofano ad iniezione KAM 4 (Fino/Until 2012) Motocoltivatore della marca Nibbi
€2,10 IVA inc.
Spedire a
*
*
Metodo di spedizione
Nome
Stima di spedizione
Costo
Stima Spedizione non possibile
+ -
1 15LD400; 15LD400 AE;
Ricambio 15LD400; 15LD400 AE; Cofano ad iniezione KAM 4 (Fino/Until 2012) Motocoltivatore della marca Nibbi
€0,88 IVA inc.
Spedire a
*
*
Metodo di spedizione
Nome
Stima di spedizione
Costo
Stima Spedizione non possibile
+ -
1 15LD400; 15LD400 AE;
Ricambio 15LD400; 15LD400 AE; Cofano ad iniezione KAM 4 (Fino/Until 2012) Motocoltivatore della marca Nibbi
€1,85 IVA inc.
Spedire a
*
*
Metodo di spedizione
Nome
Stima di spedizione
Costo
Stima Spedizione non possibile
+ -
1 Avviamento elettrico;
Ricambio Avviamento elettrico; Cofano ad iniezione KAM 4 (Fino/Until 2012) Motocoltivatore della marca Nibbi
€56,26 IVA inc.
Spedire a
*
*
Metodo di spedizione
Nome
Stima di spedizione
Costo
Stima Spedizione non possibile
+ -
1 Avviamento elettrico;
Ricambio Avviamento elettrico; Cofano ad iniezione KAM 4 (Fino/Until 2012) Motocoltivatore della marca Nibbi
€8,00 IVA inc.
Spedire a
*
*
Metodo di spedizione
Nome
Stima di spedizione
Costo
Stima Spedizione non possibile
+ -
1 batteria Avviamento elettrico;
Ricambio batteria Avviamento elettrico; Cofano ad iniezione KAM 4 (Fino/Until 2012) Motocoltivatore della marca Nibbi
€45,69 IVA inc.
Spedire a
*
*
Metodo di spedizione
Nome
Stima di spedizione
Costo
Stima Spedizione non possibile
+ -
1 Avviamento elettrico;
Ricambio Avviamento elettrico; Cofano ad iniezione KAM 4 (Fino/Until 2012) Motocoltivatore della marca Nibbi
€1,32 IVA inc.
Spedire a
*
*
Metodo di spedizione
Nome
Stima di spedizione
Costo
Stima Spedizione non possibile
+ -
30 Passacavo Avviamento elettrico;
Ricambio Passacavo Avviamento elettrico; Cofano ad iniezione KAM 4 (Fino/Until 2012) Motocoltivatore della marca Nibbi Richiede pezzi:1
€7,76 IVA inc.
Spedire a
*
*
Metodo di spedizione
Nome
Stima di spedizione
Costo
Stima Spedizione non possibile
+ -
31 Rondella Avviamento elettrico;
Ricambio Rondella Avviamento elettrico; Cofano ad iniezione KAM 4 (Fino/Until 2012) Motocoltivatore della marca Nibbi Richiede pezzi:1
€2,24 IVA inc.
Spedire a
*
*
Metodo di spedizione
Nome
Stima di spedizione
Costo
Stima Spedizione non possibile
+ -
32 Targhetta Su richiesta; Upon request;
Ricambio Targhetta Su richiesta; Upon request; Cofano ad iniezione KAM 4 (Fino/Until 2012) Motocoltivatore della marca Nibbi Richiede pezzi:1
€10,59 IVA inc.
Spedire a
*
*
Metodo di spedizione
Nome
Stima di spedizione
Costo
Stima Spedizione non possibile
+ -
42 Vite Honda GX160; Kohler
Ricambio Vite Honda GX160; Kohler Cofano ad iniezione KAM 4 (Fino/Until 2012) Motocoltivatore della marca Nibbi Richiede pezzi:1
€4,98 IVA inc.
Spedire a
*
*
Metodo di spedizione
Nome
Stima di spedizione
Costo
Stima Spedizione non possibile
+ -
46 Vite
Ricambio Vite Cofano ad iniezione KAM 4 (Fino/Until 2012) Motocoltivatore della marca Nibbi Richiede pezzi:1
€2,15 IVA inc.
Spedire a
*
*
Metodo di spedizione
Nome
Stima di spedizione
Costo
Stima Spedizione non possibile
+ -
47 Impianto elettrico 15LD315; 15LD350;
Ricambio Impianto elettrico 15LD315; 15LD350; Cofano ad iniezione KAM 4 (Fino/Until 2012) Motocoltivatore della marca Nibbi Richiede pezzi:1
€376,47 IVA inc.
Spedire a
*
*
Metodo di spedizione
Nome
Stima di spedizione
Costo
Stima Spedizione non possibile
+ -
47 Impianto elettrico LGA280
Ricambio Impianto elettrico LGA280 Cofano ad iniezione KAM 4 (Fino/Until 2012) Motocoltivatore della marca Nibbi Richiede pezzi:1
€133,26 IVA inc.
Spedire a
*
*
Metodo di spedizione
Nome
Stima di spedizione
Costo
Stima Spedizione non possibile
+ -
48 Gomma
Ricambio Gomma Cofano ad iniezione KAM 4 (Fino/Until 2012) Motocoltivatore della marca Nibbi Richiede pezzi:1
€10,05 IVA inc.
Spedire a
*
*
Metodo di spedizione
Nome
Stima di spedizione
Costo
Stima Spedizione non possibile
+ -
49 Vite
Ricambio Vite Cofano ad iniezione KAM 4 (Fino/Until 2012) Motocoltivatore della marca Nibbi Richiede pezzi:1
€4,98 IVA inc.
Spedire a
*
*
Metodo di spedizione
Nome
Stima di spedizione
Costo
Stima Spedizione non possibile
+ -
50 Batteria
Ricambio Batteria Cofano ad iniezione KAM 4 (Fino/Until 2012) Motocoltivatore della marca Nibbi Richiede pezzi:1
€321,79 IVA inc.
Spedire a
*
*
Metodo di spedizione
Nome
Stima di spedizione
Costo
Stima Spedizione non possibile
+ -
51 Cavo
Ricambio Cavo Cofano ad iniezione KAM 4 (Fino/Until 2012) Motocoltivatore della marca Nibbi Richiede pezzi:1
€12,35 IVA inc.
Spedire a
*
*
Metodo di spedizione
Nome
Stima di spedizione
Costo
Stima Spedizione non possibile
+ -
52 Morsetto
Ricambio Morsetto Cofano ad iniezione KAM 4 (Fino/Until 2012) Motocoltivatore della marca Nibbi Richiede pezzi:1
€8,93 IVA inc.
Spedire a
*
*
Metodo di spedizione
Nome
Stima di spedizione
Costo
Stima Spedizione non possibile
+ -
53 Interruttore
Ricambio Interruttore Cofano ad iniezione KAM 4 (Fino/Until 2012) Motocoltivatore della marca Nibbi Richiede pezzi:1
€75,63 IVA inc.
Spedire a
*
*
Metodo di spedizione
Nome
Stima di spedizione
Costo
Stima Spedizione non possibile
+ -
54 Kit spia
Ricambio Kit spia Cofano ad iniezione KAM 4 (Fino/Until 2012) Motocoltivatore della marca Nibbi Richiede pezzi:1
€26,59 IVA inc.
Spedire a
*
*
Metodo di spedizione
Nome
Stima di spedizione
Costo
Stima Spedizione non possibile
+ -
56 Targhetta Su richiesta; Upon request;
Ricambio Targhetta Su richiesta; Upon request; Cofano ad iniezione KAM 4 (Fino/Until 2012) Motocoltivatore della marca Nibbi Richiede pezzi:1
€10,59 IVA inc.
Spedire a
*
*
Metodo di spedizione
Nome
Stima di spedizione
Costo
Stima Spedizione non possibile
+ -
58 Rondella
Ricambio Rondella Cofano ad iniezione KAM 4 (Fino/Until 2012) Motocoltivatore della marca Nibbi Richiede pezzi:1
€2,34 IVA inc.
Spedire a
*
*
Metodo di spedizione
Nome
Stima di spedizione
Costo
Stima Spedizione non possibile
+ -
Scrivi la tua recensione
*
*
  • Pessimo
  • Eccellente