Schema elettrico OM 106/16 KH Exclusive Cat. 2022 <!> Trattorino

Trattorini OM 106/16 KH Exclusive Cat. 2022 Trattorino Schema elettrico della marca Oleo-Mac
PAga in tre rate con Klarna
PAga in tre rate con Klarna
PAga in tre rate con Klarna black
Produttore:: OLEOMAC

In caso di ordine dei ricambi, se non immediatamente disponibili a magazzino, le tempistiche possono arrivare fino a 7-18 GIORNI LAVORATIVI..

...in caso di ordine ricorda di scrivere nel campo note varie IL SERIALE DELLA TUA MACCHINA, L'ANNO DI ACQUISTO ECC.. Questo per agevolare il nostro staff nella individuazione dei ricambi corretti.

...In caso di mancata trasmissione di tali informazioni, saremo costretti ad applicare una penale del 20% sul valore del ricambio in caso di richiesta di rimborso o di sostituzione.

ATTENZIONE: Se nella lista sotto non compaiono i relativi ricambi riportati nell'esploso

...significa che  non è possibile più acquistarli in quanto NON PIU' FORNIBILI E/O OBSOLETI

In caso di ordine di ricambi per il tuo prodotto OM 106/16 KH Exclusive Cat. 2022 Trattorino della Oleo-Mac, per permettere al nostro staff di spedirti i ricambi corretti, inserire, nella pagina finale del carrello nel campo Note varie, anno della macchina e, se disponibile, il suo numero di matricola.

In caso di ordine di ricambi per il tuo prodotto OM 106/16 KH Exclusive Cat. 2022 Trattorino della Oleo-Mac, per permettere al nostro staff di spedirti i ricambi corretti, inserire, nella pagina finale del carrello nel campo Note varie, anno della macchina e, se disponibile, il suo numero di matricola.

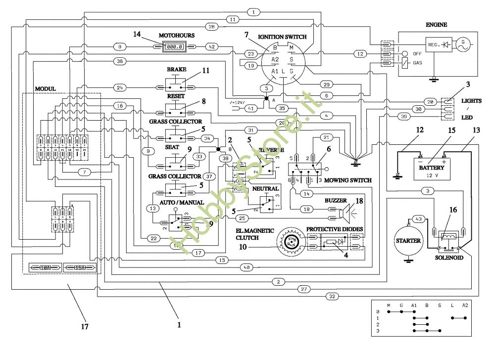
1 Cablaggio
Ricambio Cablaggio Schema elettrico OM 106/16 KH Exclusive Cat. 2022 Trattorino della marca Oleo-Mac Richiede pezzi:1
€280,72 IVA inc.
Spedire a
*
*
Metodo di spedizione
Nome
Stima di spedizione
Costo
Stima Spedizione non possibile
+ -
2 Cavetto
Ricambio Cavetto Schema elettrico OM 106/16 KH Exclusive Cat. 2022 Trattorino della marca Oleo-Mac Richiede pezzi:1
€19,86 IVA inc.
Spedire a
*
*
Metodo di spedizione
Nome
Stima di spedizione
Costo
Stima Spedizione non possibile
+ -
3 Lampadina
Ricambio Lampadina Schema elettrico OM 106/16 KH Exclusive Cat. 2022 Trattorino della marca Oleo-Mac Richiede pezzi:1
€34,66 IVA inc.
Spedire a
*
*
Metodo di spedizione
Nome
Stima di spedizione
Costo
Stima Spedizione non possibile
+ -
4 Diodo
Ricambio Diodo Schema elettrico OM 106/16 KH Exclusive Cat. 2022 Trattorino della marca Oleo-Mac Richiede pezzi:1
€21,64 IVA inc.
Spedire a
*
*
Metodo di spedizione
Nome
Stima di spedizione
Costo
Stima Spedizione non possibile
+ -
5 Interruttore cesto
Ricambio Interruttore cesto Schema elettrico OM 106/16 KH Exclusive Cat. 2022 Trattorino della marca Oleo-Mac Richiede pezzi:4
€43,37 IVA inc.
Spedire a
*
*
Metodo di spedizione
Nome
Stima di spedizione
Costo
Stima Spedizione non possibile
+ -
6 Interruttore
Ricambio Interruttore Schema elettrico OM 106/16 KH Exclusive Cat. 2022 Trattorino della marca Oleo-Mac Richiede pezzi:1
€101,16 IVA inc.
Spedire a
*
*
Metodo di spedizione
Nome
Stima di spedizione
Costo
Stima Spedizione non possibile
+ -
7 Scatola interruttore
Ricambio Scatola interruttore Schema elettrico OM 106/16 KH Exclusive Cat. 2022 Trattorino della marca Oleo-Mac Richiede pezzi:1
€55,66 IVA inc.
Spedire a
*
*
Metodo di spedizione
Nome
Stima di spedizione
Costo
Stima Spedizione non possibile
+ -
8 Interruttore
Ricambio Interruttore Schema elettrico OM 106/16 KH Exclusive Cat. 2022 Trattorino della marca Oleo-Mac Richiede pezzi:1
€33,46 IVA inc.
Spedire a
*
*
Metodo di spedizione
Nome
Stima di spedizione
Costo
Stima Spedizione non possibile
+ -
9 Micro-interruttore
Ricambio Micro-interruttore Schema elettrico OM 106/16 KH Exclusive Cat. 2022 Trattorino della marca Oleo-Mac Richiede pezzi:1
€32,08 IVA inc.
Spedire a
*
*
Metodo di spedizione
Nome
Stima di spedizione
Costo
Stima Spedizione non possibile
+ -
10 Frizione
Ricambio Frizione Schema elettrico OM 106/16 KH Exclusive Cat. 2022 Trattorino della marca Oleo-Mac Richiede pezzi:1
€793,20 IVA inc.
Spedire a
*
*
Metodo di spedizione
Nome
Stima di spedizione
Costo
Stima Spedizione non possibile
+ -
11 Interruttore
Ricambio Interruttore Schema elettrico OM 106/16 KH Exclusive Cat. 2022 Trattorino della marca Oleo-Mac Richiede pezzi:1
€52,57 IVA inc.
Spedire a
*
*
Metodo di spedizione
Nome
Stima di spedizione
Costo
Stima Spedizione non possibile
+ -
12 Conduttore
Ricambio Conduttore Schema elettrico OM 106/16 KH Exclusive Cat. 2022 Trattorino della marca Oleo-Mac Richiede pezzi:1
€13,64 IVA inc.
Spedire a
*
*
Metodo di spedizione
Nome
Stima di spedizione
Costo
Stima Spedizione non possibile
+ -
13 Cavo completo
Ricambio Cavo completo Schema elettrico OM 106/16 KH Exclusive Cat. 2022 Trattorino della marca Oleo-Mac Richiede pezzi:1
€20,99 IVA inc.
Spedire a
*
*
Metodo di spedizione
Nome
Stima di spedizione
Costo
Stima Spedizione non possibile
+ -
14 Contaore
Ricambio Contaore Schema elettrico OM 106/16 KH Exclusive Cat. 2022 Trattorino della marca Oleo-Mac Richiede pezzi:1
€163,64 IVA inc.
Spedire a
*
*
Metodo di spedizione
Nome
Stima di spedizione
Costo
Stima Spedizione non possibile
+ -
15 Batteria
Ricambio Batteria Schema elettrico OM 106/16 KH Exclusive Cat. 2022 Trattorino della marca Oleo-Mac Richiede pezzi:1
€265,24 IVA inc.
Spedire a
*
*
Metodo di spedizione
Nome
Stima di spedizione
Costo
Stima Spedizione non possibile
+ -
16 Solenoide
Ricambio Solenoide Schema elettrico OM 106/16 KH Exclusive Cat. 2022 Trattorino della marca Oleo-Mac Richiede pezzi:1
€44,12 IVA inc.
Spedire a
*
*
Metodo di spedizione
Nome
Stima di spedizione
Costo
Stima Spedizione non possibile
+ -
17 Schema elettrico
Ricambio Schema elettrico Schema elettrico OM 106/16 KH Exclusive Cat. 2022 Trattorino della marca Oleo-Mac Richiede pezzi:1
€287,66 IVA inc.
Spedire a
*
*
Metodo di spedizione
Nome
Stima di spedizione
Costo
Stima Spedizione non possibile
+ -
18 Blocco
Ricambio Blocco Schema elettrico OM 106/16 KH Exclusive Cat. 2022 Trattorino della marca Oleo-Mac Richiede pezzi:1
€19,51 IVA inc.
Spedire a
*
*
Metodo di spedizione
Nome
Stima di spedizione
Costo
Stima Spedizione non possibile
+ -
Scrivi la tua recensione
*
*
  • Pessimo
  • Eccellente