Carter soffiatore interno SH 85 (04.2001), (45.2001), (18.2002) SH 85

Carter soffiatore interno SH 85 (04.2001), (45.2001), (18.2002) Trituratori ad aspirazione (SH) SH 85 della marca STIHL
PAga in tre rate con Klarna
PAga in tre rate con Klarna
PAga in tre rate con Klarna black
Produttore:: STIHL

In caso di ordine dei ricambi ricordati di inserie nel campo "note varie" in fase di inserimento dei tuoi dati di spedizione, anche IL NUMERO DI SERIE DELLA TUA MACCHINA..

...Solo così potrai permettere al nostro staff di spedirti i RICAMBI CORRETTI per la tua macchina 
(in alternativa scrivi l'anno di acquisto della macchina , foto del ricambio ecc.)

...In caso di mancata trasmissione di tali informazioni, saremo costretti ad applicare una penale del 20% sul valore del ricambio in caso di richiesta di rimborso o della sostituzione.

ATTENZIONE: Se non immediatamente disponibili, le tempistiche sono di 5-10 GIORNI LAVORATIVI.

ATTENZIONE: Se nella lista sotto non compaiono i relativi ricambi riportati nell'esploso

...significa che  non è possibile più acquistarli in quanto NON PIU' FORNIBILI E/O OBSOLETI

In caso di ordine di ricambi per il tuo prodotto Trituratori ad aspirazione (SH) SH 85 della Stihl, per permettere al nostro staff di spedirti i ricambi corretti, inserire, nella pagina finale del carrello nel campo Note varie, anno della macchina e, se disponibile, il suo numero di matricola.

In caso di ordine di ricambi per il tuo prodotto Trituratori ad aspirazione (SH) SH 85 della Stihl, per permettere al nostro staff di spedirti i ricambi corretti, inserire, nella pagina finale del carrello nel campo Note varie, anno della macchina e, se disponibile, il suo numero di matricola.

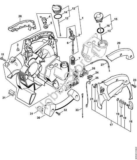
3 Rivetto cavo 7,5x1x6,8
Ricambio Rivetto cavo 7,5x1x6,8 Trituratori ad aspirazione (SH) SH 85 STIHL
€6,20 IVA inc.
Spedire a
*
*
Metodo di spedizione
Nome
Stima di spedizione
Costo
Stima Spedizione non possibile
+ -
4 Sfiato serbatoio
Ricambio Sfiato serbatoio Trituratori ad aspirazione (SH) SH 85 STIHL
€19,55 IVA inc.
Spedire a
*
*
Metodo di spedizione
Nome
Stima di spedizione
Costo
Stima Spedizione non possibile
+ -
5 Boccola
Ricambio Boccola Trituratori ad aspirazione (SH) SH 85 STIHL
€4,83 IVA inc.
Spedire a
*
*
Metodo di spedizione
Nome
Stima di spedizione
Costo
Stima Spedizione non possibile
+ -
6 Tubo flessibile
Ricambio Tubo flessibile Trituratori ad aspirazione (SH) SH 85 STIHL
€25,38 IVA inc.
Spedire a
*
*
Metodo di spedizione
Nome
Stima di spedizione
Costo
Stima Spedizione non possibile
+ -
7 Succhieruola
Ricambio Succhieruola Trituratori ad aspirazione (SH) SH 85 STIHL
€14,40 IVA inc.
Spedire a
*
*
Metodo di spedizione
Nome
Stima di spedizione
Costo
Stima Spedizione non possibile
+ -
8 Pittogramma di avvertimento HS
Ricambio Pittogramma di avvertimento HS Trituratori ad aspirazione (SH) SH 85 STIHL
€8,20 IVA inc.
Spedire a
*
*
Metodo di spedizione
Nome
Stima di spedizione
Costo
Stima Spedizione non possibile
+ -
11 Vite per plastica IS-D5x24
Ricambio Vite per plastica IS-D5x24 Trituratori ad aspirazione (SH) SH 85 STIHL
€3,22 IVA inc.
Spedire a
*
*
Metodo di spedizione
Nome
Stima di spedizione
Costo
Stima Spedizione non possibile
+ -
12 Tappo serbatoio
Ricambio Tappo serbatoio Trituratori ad aspirazione (SH) SH 85 STIHL Contiene anche i ricambi n. 13 e 14
€17,69 IVA inc.
Spedire a
*
*
Metodo di spedizione
Nome
Stima di spedizione
Costo
Stima Spedizione non possibile
+ -
13 Cordicella
Ricambio Cordicella Trituratori ad aspirazione (SH) SH 85 STIHL
€4,20 IVA inc.
Spedire a
*
*
Metodo di spedizione
Nome
Stima di spedizione
Costo
Stima Spedizione non possibile
+ -
14 O-ring 35x3-FPM 80
Ricambio O-ring 35x3-FPM 80 Trituratori ad aspirazione (SH) SH 85 STIHL
€5,95 IVA inc.
Spedire a
*
*
Metodo di spedizione
Nome
Stima di spedizione
Costo
Stima Spedizione non possibile
+ -
15 Tappo serbatoio
Ricambio Tappo serbatoio Trituratori ad aspirazione (SH) SH 85 STIHL Contiene anche i ricambi n. 13 e 16
€25,53 IVA inc.
Spedire a
*
*
Metodo di spedizione
Nome
Stima di spedizione
Costo
Stima Spedizione non possibile
+ -
16 O-ring 25x3,5
Ricambio O-ring 25x3,5 Trituratori ad aspirazione (SH) SH 85 STIHL
€2,59 IVA inc.
Spedire a
*
*
Metodo di spedizione
Nome
Stima di spedizione
Costo
Stima Spedizione non possibile
+ -
23 Vite per lamiera IS-P6x26,5
Ricambio Vite per lamiera IS-P6x26,5 Trituratori ad aspirazione (SH) SH 85 STIHL
€3,76 IVA inc.
Spedire a
*
*
Metodo di spedizione
Nome
Stima di spedizione
Costo
Stima Spedizione non possibile
+ -
24 Interruttore di arresto
Ricambio Interruttore di arresto Trituratori ad aspirazione (SH) SH 85 STIHL
€10,22 IVA inc.
Spedire a
*
*
Metodo di spedizione
Nome
Stima di spedizione
Costo
Stima Spedizione non possibile
+ -
25 Cavo
Ricambio Cavo Trituratori ad aspirazione (SH) SH 85 STIHL
€11,81 IVA inc.
Spedire a
*
*
Metodo di spedizione
Nome
Stima di spedizione
Costo
Stima Spedizione non possibile
+ -
27 Tirante acceleratore
Ricambio Tirante acceleratore Trituratori ad aspirazione (SH) SH 85 STIHL
€23,11 IVA inc.
Spedire a
*
*
Metodo di spedizione
Nome
Stima di spedizione
Costo
Stima Spedizione non possibile
+ -
30 Impugnatura
Ricambio Impugnatura Trituratori ad aspirazione (SH) SH 85 STIHL
€25,57 IVA inc.
Spedire a
*
*
Metodo di spedizione
Nome
Stima di spedizione
Costo
Stima Spedizione non possibile
+ -
31 Piede
Ricambio Piede Trituratori ad aspirazione (SH) SH 85 STIHL
€8,20 IVA inc.
Spedire a
*
*
Metodo di spedizione
Nome
Stima di spedizione
Costo
Stima Spedizione non possibile
+ -
32 Vite per lamiera IS-P6x19
Ricambio Vite per lamiera IS-P6x19 Trituratori ad aspirazione (SH) SH 85 STIHL
€3,22 IVA inc.
Spedire a
*
*
Metodo di spedizione
Nome
Stima di spedizione
Costo
Stima Spedizione non possibile
+ -
33 Cavo di massa
Ricambio Cavo di massa Trituratori ad aspirazione (SH) SH 85 STIHL
€9,32 IVA inc.
Spedire a
*
*
Metodo di spedizione
Nome
Stima di spedizione
Costo
Stima Spedizione non possibile
+ -
Scrivi la tua recensione
*
*
  • Pessimo
  • Eccellente