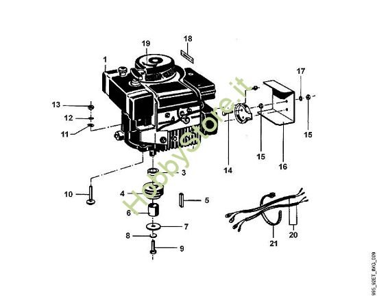
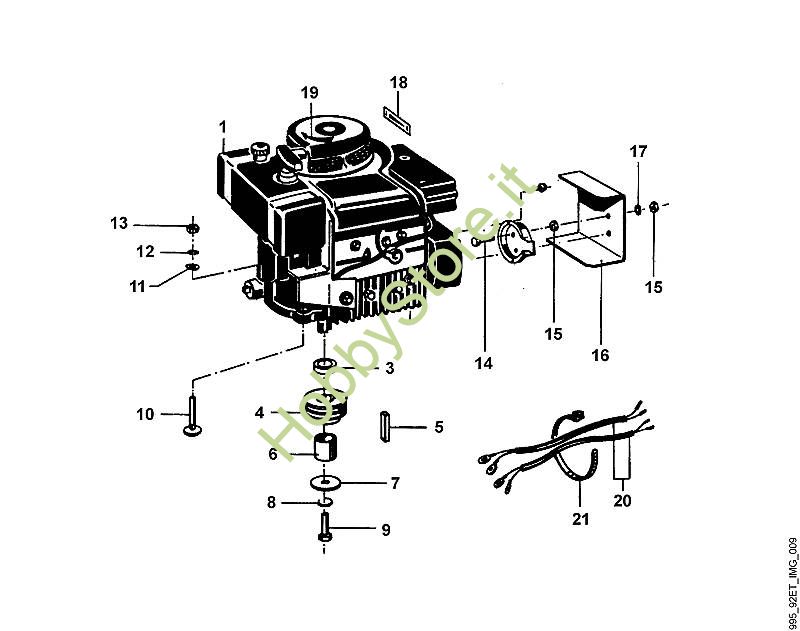
F - Motore AB 4080 S

F - Motore AB AB 4080 S della marca Viking
PAga in tre rate con Klarna
PAga in tre rate con Klarna
PAga in tre rate con Klarna black
Produttore:: VIKING

In caso di ordine dei ricambi ricordati di inserie nel campo "note varie" in fase di inserimento dei tuoi dati di spedizione, anche IL NUMERO DI SERIE DELLA TUA MACCHINA..

...Solo così potrai permettere al nostro staff di spedirti i RICAMBI CORRETTI per la tua macchina 
(in alternativa scrivi l'anno di acquisto della macchina , foto del ricambio ecc.)

...In caso di mancata trasmissione di tali informazioni, saremo costretti ad applicare una penale del 20% sul valore del ricambio in caso di richiesta di rimborso o della sostituzione.

ATTENZIONE: Se non immediatamente disponibili, le tempistiche sono di 5-10 GIORNI LAVORATIVI.

ATTENZIONE: Se nella lista sotto non compaiono i relativi ricambi riportati nell'esploso

...significa che  non è possibile più acquistarli in quanto NON PIU' FORNIBILI E/O OBSOLETI

In caso di ordine di ricambi originali per il tuo prodotto AB AB 4080 S della Viking, per permettere al nostro staff di spedirti i ricambi corretti, inserire, nella pagina finale del carrello nel campo Note varie, anno della macchina e, se disponibile, il suo numero di matricola.

In caso di ordine di ricambi originali per il tuo prodotto AB AB 4080 S della Viking, per permettere al nostro staff di spedirti i ricambi corretti, inserire, nella pagina finale del carrello nel campo Note varie, anno della macchina e, se disponibile, il suo numero di matricola.

10 Vite con testa a calotta piatta M8x40
ricambio originale Vite con testa a calotta piatta M8x40 AB AB 4080 S Viking
€5,42 IVA inc.
Spedire a
*
*
Metodo di spedizione
Nome
Stima di spedizione
Costo
Stima Spedizione non possibile
+ -
11 Rondella 8,4
ricambio originale Rondella 8,4 AB AB 4080 S Viking
€1,07 IVA inc.
Spedire a
*
*
Metodo di spedizione
Nome
Stima di spedizione
Costo
Stima Spedizione non possibile
+ -
13 Dado esagonale M8
ricambio originale Dado esagonale M8 AB AB 4080 S Viking
€2,29 IVA inc.
Spedire a
*
*
Metodo di spedizione
Nome
Stima di spedizione
Costo
Stima Spedizione non possibile
+ -
14 Vite a testa esagonale M6x16
ricambio originale Vite a testa esagonale M6x16 AB AB 4080 S Viking
€3,22 IVA inc.
Spedire a
*
*
Metodo di spedizione
Nome
Stima di spedizione
Costo
Stima Spedizione non possibile
+ -
15 Dado esagonale M6
ricambio originale Dado esagonale M6 AB AB 4080 S Viking
€1,71 IVA inc.
Spedire a
*
*
Metodo di spedizione
Nome
Stima di spedizione
Costo
Stima Spedizione non possibile
+ -
17 Disco 6,4
ricambio originale Disco 6,4 AB AB 4080 S Viking
€1,07 IVA inc.
Spedire a
*
*
Metodo di spedizione
Nome
Stima di spedizione
Costo
Stima Spedizione non possibile
+ -
Scrivi la tua recensione
*
*
  • Pessimo
  • Eccellente