Basamento AR 48 TK ALLROAD ALUMINIUM (K655) EURO 5 Rasaerba

Rasaerba AR 48 TK ALLROAD ALUMINIUM (K655) EURO 5 Rasaerba Basamento della marca Efco
PAga in tre rate con Klarna
PAga in tre rate con Klarna
PAga in tre rate con Klarna black
Produttore:: EFCO

In caso di ordine dei ricambi, se non immediatamente disponibili a magazzino, le tempistiche possono arrivare fino a 7-18 GIORNI LAVORATIVI..

...in caso di ordine ricorda di scrivere nel campo note varie IL SERIALE DELLA TUA MACCHINA, L'ANNO DI ACQUISTO ECC.. Questo per agevolare il nostro staff nella individuazione dei ricambi corretti.

...In caso di mancata trasmissione di tali informazioni, saremo costretti ad applicare una penale del 20% sul valore del ricambio in caso di richiesta di rimborso o di sostituzione.

ATTENZIONE: Se nella lista sotto non compaiono i relativi ricambi riportati nell'esploso

...significa che  non è possibile più acquistarli in quanto NON PIU' FORNIBILI E/O OBSOLETI

In caso di ordine di ricambi per il tuo prodotto AR 48 TK ALLROAD ALUMINIUM (K655) EURO 5 Rasaerba della Efco, per permettere al nostro staff di spedirti i ricambi corretti, inserire, nella pagina finale del carrello nel campo Note varie, anno della macchina e, se disponibile, il suo numero di matricola.

In caso di ordine di ricambi per il tuo prodotto AR 48 TK ALLROAD ALUMINIUM (K655) EURO 5 Rasaerba della Efco, per permettere al nostro staff di spedirti i ricambi corretti, inserire, nella pagina finale del carrello nel campo Note varie, anno della macchina e, se disponibile, il suo numero di matricola.

89 Copriruota
Ricambio Copriruota Basamento AR 48 TK ALLROAD ALUMINIUM (K655) EURO 5 Rasaerba della marca Efco Richiede pezzi:2
€19,24 IVA inc.
Spedire a
*
*
Metodo di spedizione
Nome
Stima di spedizione
Costo
Stima Spedizione non possibile
+ -
90 Pignone destro
Ricambio Pignone destro Basamento AR 48 TK ALLROAD ALUMINIUM (K655) EURO 5 Rasaerba della marca Efco Richiede pezzi:1
€20,38 IVA inc.
Spedire a
*
*
Metodo di spedizione
Nome
Stima di spedizione
Costo
Stima Spedizione non possibile
+ -
91 Rondella
Ricambio Rondella Basamento AR 48 TK ALLROAD ALUMINIUM (K655) EURO 5 Rasaerba della marca Efco Richiede pezzi:2
€9,47 IVA inc.
Spedire a
*
*
Metodo di spedizione
Nome
Stima di spedizione
Costo
Stima Spedizione non possibile
+ -
92 Cuscinetto
Ricambio Cuscinetto Basamento AR 48 TK ALLROAD ALUMINIUM (K655) EURO 5 Rasaerba della marca Efco Richiede pezzi:8
€27,96 IVA inc.
Spedire a
*
*
Metodo di spedizione
Nome
Stima di spedizione
Costo
Stima Spedizione non possibile
+ -
93 Ruota completa D.280
Ricambio Ruota completa D.280 Basamento AR 48 TK ALLROAD ALUMINIUM (K655) EURO 5 Rasaerba della marca Efco Richiede pezzi:2
€35,37 IVA inc.
Spedire a
*
*
Metodo di spedizione
Nome
Stima di spedizione
Costo
Stima Spedizione non possibile
+ -
94 Cinghia Z 33 10x840 LI (PI BELT)
Ricambio Cinghia Z 33 10x840 LI (PI BELT) Basamento AR 48 TK ALLROAD ALUMINIUM (K655) EURO 5 Rasaerba della marca Efco Richiede pezzi:1
€19,18 IVA inc.
Spedire a
*
*
Metodo di spedizione
Nome
Stima di spedizione
Costo
Stima Spedizione non possibile
+ -
95 Copriruota
Ricambio Copriruota Basamento AR 48 TK ALLROAD ALUMINIUM (K655) EURO 5 Rasaerba della marca Efco Richiede pezzi:2
€17,33 IVA inc.
Spedire a
*
*
Metodo di spedizione
Nome
Stima di spedizione
Costo
Stima Spedizione non possibile
+ -
96 Copriruota
Ricambio Copriruota Basamento AR 48 TK ALLROAD ALUMINIUM (K655) EURO 5 Rasaerba della marca Efco Richiede pezzi:2
€10,07 IVA inc.
Spedire a
*
*
Metodo di spedizione
Nome
Stima di spedizione
Costo
Stima Spedizione non possibile
+ -
97 Ruota completa D.200
Ricambio Ruota completa D.200 Basamento AR 48 TK ALLROAD ALUMINIUM (K655) EURO 5 Rasaerba della marca Efco Richiede pezzi:2
€25,16 IVA inc.
Spedire a
*
*
Metodo di spedizione
Nome
Stima di spedizione
Costo
Stima Spedizione non possibile
+ -
98 Assale anteriore
Ricambio Assale anteriore Basamento AR 48 TK ALLROAD ALUMINIUM (K655) EURO 5 Rasaerba della marca Efco Richiede pezzi:1
€55,46 IVA inc.
Spedire a
*
*
Metodo di spedizione
Nome
Stima di spedizione
Costo
Stima Spedizione non possibile
+ -
99 Linguetta
Ricambio Linguetta Basamento AR 48 TK ALLROAD ALUMINIUM (K655) EURO 5 Rasaerba della marca Efco Richiede pezzi:1
€3,71 IVA inc.
Spedire a
*
*
Metodo di spedizione
Nome
Stima di spedizione
Costo
Stima Spedizione non possibile
+ -
100 Mozzo Ø22,2mm
Ricambio Mozzo Ø22,2mm Basamento AR 48 TK ALLROAD ALUMINIUM (K655) EURO 5 Rasaerba della marca Efco Richiede pezzi:1
€29,38 IVA inc.
Spedire a
*
*
Metodo di spedizione
Nome
Stima di spedizione
Costo
Stima Spedizione non possibile
+ -
101 Lama mulching 48
Ricambio Lama mulching 48 Basamento AR 48 TK ALLROAD ALUMINIUM (K655) EURO 5 Rasaerba della marca Efco Richiede pezzi:1
€36,53 IVA inc.
Spedire a
*
*
Metodo di spedizione
Nome
Stima di spedizione
Costo
Stima Spedizione non possibile
+ -
102 Rondella
Ricambio Rondella Basamento AR 48 TK ALLROAD ALUMINIUM (K655) EURO 5 Rasaerba della marca Efco Richiede pezzi:1
€9,71 IVA inc.
Spedire a
*
*
Metodo di spedizione
Nome
Stima di spedizione
Costo
Stima Spedizione non possibile
+ -
103 Kit etichette
Ricambio Kit etichette Basamento AR 48 TK ALLROAD ALUMINIUM (K655) EURO 5 Rasaerba della marca Efco Richiede pezzi:1
€12,91 IVA inc.
Spedire a
*
*
Metodo di spedizione
Nome
Stima di spedizione
Costo
Stima Spedizione non possibile
+ -
104 Boccola
Ricambio Boccola Basamento AR 48 TK ALLROAD ALUMINIUM (K655) EURO 5 Rasaerba della marca Efco Richiede pezzi:2
€4,00 IVA inc.
Spedire a
*
*
Metodo di spedizione
Nome
Stima di spedizione
Costo
Stima Spedizione non possibile
+ -
106 Kit etichette Motore Emak; Emak engine
Ricambio Kit etichette Motore Emak; Emak engine Basamento AR 48 TK ALLROAD ALUMINIUM (K655) EURO 5 Rasaerba della marca Efco Richiede pezzi:1
€10,95 IVA inc.
Spedire a
*
*
Metodo di spedizione
Nome
Stima di spedizione
Costo
Stima Spedizione non possibile
+ -
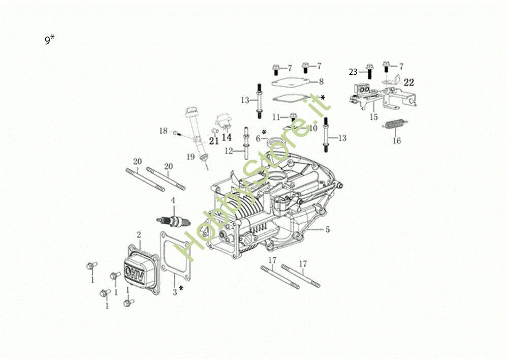
1 Vite
Ricambio Vite Basamento AR 48 TK ALLROAD ALUMINIUM (K655) EURO 5 Rasaerba della marca Efco Richiede pezzi:4
€8,90 IVA inc.
Spedire a
*
*
Metodo di spedizione
Nome
Stima di spedizione
Costo
Stima Spedizione non possibile
+ -
2 Coperchio
Ricambio Coperchio Basamento AR 48 TK ALLROAD ALUMINIUM (K655) EURO 5 Rasaerba della marca Efco Richiede pezzi:1
€11,37 IVA inc.
Spedire a
*
*
Metodo di spedizione
Nome
Stima di spedizione
Costo
Stima Spedizione non possibile
+ -
3 Guarnizione
Ricambio Guarnizione Basamento AR 48 TK ALLROAD ALUMINIUM (K655) EURO 5 Rasaerba della marca Efco Richiede pezzi:1
€4,83 IVA inc.
Spedire a
*
*
Metodo di spedizione
Nome
Stima di spedizione
Costo
Stima Spedizione non possibile
+ -
5 Basamento
Ricambio Basamento Basamento AR 48 TK ALLROAD ALUMINIUM (K655) EURO 5 Rasaerba della marca Efco Richiede pezzi:1
€114,38 IVA inc.
Spedire a
*
*
Metodo di spedizione
Nome
Stima di spedizione
Costo
Stima Spedizione non possibile
+ -
6 Anello di tenuta
Ricambio Anello di tenuta Basamento AR 48 TK ALLROAD ALUMINIUM (K655) EURO 5 Rasaerba della marca Efco Richiede pezzi:1
€8,78 IVA inc.
Spedire a
*
*
Metodo di spedizione
Nome
Stima di spedizione
Costo
Stima Spedizione non possibile
+ -
7 Vite
Ricambio Vite Basamento AR 48 TK ALLROAD ALUMINIUM (K655) EURO 5 Rasaerba della marca Efco Richiede pezzi:3
€2,64 IVA inc.
Spedire a
*
*
Metodo di spedizione
Nome
Stima di spedizione
Costo
Stima Spedizione non possibile
+ -
8 Tappo
Ricambio Tappo Basamento AR 48 TK ALLROAD ALUMINIUM (K655) EURO 5 Rasaerba della marca Efco Richiede pezzi:1
€10,10 IVA inc.
Spedire a
*
*
Metodo di spedizione
Nome
Stima di spedizione
Costo
Stima Spedizione non possibile
+ -
9 Kit guarnizioni
Ricambio Kit guarnizioni Basamento AR 48 TK ALLROAD ALUMINIUM (K655) EURO 5 Rasaerba della marca Efco Richiede pezzi:1
€29,07 IVA inc.
Spedire a
*
*
Metodo di spedizione
Nome
Stima di spedizione
Costo
Stima Spedizione non possibile
+ -
10 Valvola a lamella
Ricambio Valvola a lamella Basamento AR 48 TK ALLROAD ALUMINIUM (K655) EURO 5 Rasaerba della marca Efco Richiede pezzi:1
€13,03 IVA inc.
Spedire a
*
*
Metodo di spedizione
Nome
Stima di spedizione
Costo
Stima Spedizione non possibile
+ -
11 Vite
Ricambio Vite Basamento AR 48 TK ALLROAD ALUMINIUM (K655) EURO 5 Rasaerba della marca Efco Richiede pezzi:1
€3,12 IVA inc.
Spedire a
*
*
Metodo di spedizione
Nome
Stima di spedizione
Costo
Stima Spedizione non possibile
+ -
12 Prigioniero
Ricambio Prigioniero Basamento AR 48 TK ALLROAD ALUMINIUM (K655) EURO 5 Rasaerba della marca Efco Richiede pezzi:1
€5,56 IVA inc.
Spedire a
*
*
Metodo di spedizione
Nome
Stima di spedizione
Costo
Stima Spedizione non possibile
+ -
13 Prigioniero
Ricambio Prigioniero Basamento AR 48 TK ALLROAD ALUMINIUM (K655) EURO 5 Rasaerba della marca Efco Richiede pezzi:2
€5,81 IVA inc.
Spedire a
*
*
Metodo di spedizione
Nome
Stima di spedizione
Costo
Stima Spedizione non possibile
+ -
14 Supporto
Ricambio Supporto Basamento AR 48 TK ALLROAD ALUMINIUM (K655) EURO 5 Rasaerba della marca Efco Richiede pezzi:1
€12,12 IVA inc.
Spedire a
*
*
Metodo di spedizione
Nome
Stima di spedizione
Costo
Stima Spedizione non possibile
+ -
15 Freno
Ricambio Freno Basamento AR 48 TK ALLROAD ALUMINIUM (K655) EURO 5 Rasaerba della marca Efco Richiede pezzi:1
€27,99 IVA inc.
Spedire a
*
*
Metodo di spedizione
Nome
Stima di spedizione
Costo
Stima Spedizione non possibile
+ -
16 Molla
Ricambio Molla Basamento AR 48 TK ALLROAD ALUMINIUM (K655) EURO 5 Rasaerba della marca Efco Richiede pezzi:1
€3,46 IVA inc.
Spedire a
*
*
Metodo di spedizione
Nome
Stima di spedizione
Costo
Stima Spedizione non possibile
+ -
17 Prigioniero
Ricambio Prigioniero Basamento AR 48 TK ALLROAD ALUMINIUM (K655) EURO 5 Rasaerba della marca Efco Richiede pezzi:2
€6,49 IVA inc.
Spedire a
*
*
Metodo di spedizione
Nome
Stima di spedizione
Costo
Stima Spedizione non possibile
+ -
18 Vite
Ricambio Vite Basamento AR 48 TK ALLROAD ALUMINIUM (K655) EURO 5 Rasaerba della marca Efco Richiede pezzi:1
€1,37 IVA inc.
Spedire a
*
*
Metodo di spedizione
Nome
Stima di spedizione
Costo
Stima Spedizione non possibile
+ -
19 Kit tappo olio
Ricambio Kit tappo olio Basamento AR 48 TK ALLROAD ALUMINIUM (K655) EURO 5 Rasaerba della marca Efco Richiede pezzi:1
€12,12 IVA inc.
Spedire a
*
*
Metodo di spedizione
Nome
Stima di spedizione
Costo
Stima Spedizione non possibile
+ -
20 Prigioniero
Ricambio Prigioniero Basamento AR 48 TK ALLROAD ALUMINIUM (K655) EURO 5 Rasaerba della marca Efco Richiede pezzi:2
€4,83 IVA inc.
Spedire a
*
*
Metodo di spedizione
Nome
Stima di spedizione
Costo
Stima Spedizione non possibile
+ -
21 Boccola
Ricambio Boccola Basamento AR 48 TK ALLROAD ALUMINIUM (K655) EURO 5 Rasaerba della marca Efco Richiede pezzi:1
€3,46 IVA inc.
Spedire a
*
*
Metodo di spedizione
Nome
Stima di spedizione
Costo
Stima Spedizione non possibile
+ -
22 Staffa
Ricambio Staffa Basamento AR 48 TK ALLROAD ALUMINIUM (K655) EURO 5 Rasaerba della marca Efco Richiede pezzi:1
€6,25 IVA inc.
Spedire a
*
*
Metodo di spedizione
Nome
Stima di spedizione
Costo
Stima Spedizione non possibile
+ -
23 Vite
Ricambio Vite Basamento AR 48 TK ALLROAD ALUMINIUM (K655) EURO 5 Rasaerba della marca Efco Richiede pezzi:1
€1,27 IVA inc.
Spedire a
*
*
Metodo di spedizione
Nome
Stima di spedizione
Costo
Stima Spedizione non possibile
+ -
Scrivi la tua recensione
*
*
  • Pessimo
  • Eccellente