Corpo serbatoio, Comando gas MS 311-Z

Corpo serbatoio, Comando gas Motoseghe a benzina (MS) MS 311-Z della marca STIHL
PAga in tre rate con Klarna
PAga in tre rate con Klarna
PAga in tre rate con Klarna black
Produttore:: STIHL

In caso di ordine dei ricambi ricordati di inserie nel campo "note varie" in fase di inserimento dei tuoi dati di spedizione, anche IL NUMERO DI SERIE DELLA TUA MACCHINA..

...Solo così potrai permettere al nostro staff di spedirti i RICAMBI CORRETTI per la tua macchina 
(in alternativa scrivi l'anno di acquisto della macchina , foto del ricambio ecc.)

...In caso di mancata trasmissione di tali informazioni, saremo costretti ad applicare una penale del 20% sul valore del ricambio in caso di richiesta di rimborso o della sostituzione.

ATTENZIONE: Se non immediatamente disponibili, le tempistiche sono di 5-10 GIORNI LAVORATIVI.

ATTENZIONE: Se nella lista sotto non compaiono i relativi ricambi riportati nell'esploso

...significa che  non è possibile più acquistarli in quanto NON PIU' FORNIBILI E/O OBSOLETI

In caso di ordine di ricambi per il tuo prodotto Motoseghe a benzina (MS) MS 311-Z della Stihl, per permettere al nostro staff di spedirti i ricambi corretti, inserire, nella pagina finale del carrello nel campo Note varie, anno della macchina e, se disponibile, il suo numero di matricola.

In caso di ordine di ricambi per il tuo prodotto Motoseghe a benzina (MS) MS 311-Z della Stihl, per permettere al nostro staff di spedirti i ricambi corretti, inserire, nella pagina finale del carrello nel campo Note varie, anno della macchina e, se disponibile, il suo numero di matricola.

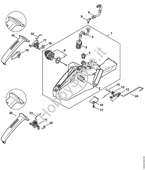
1 Corpo serbatoio
Ricambio Corpo serbatoio Motoseghe a benzina (MS) MS 311-Z STIHL Contiene anche i ricambi da n. 2 a 7
€106,74 IVA inc.
Spedire a
*
*
Metodo di spedizione
Nome
Stima di spedizione
Costo
Stima Spedizione non possibile
+ -
2 Pittogramma di avvertimento MS
Ricambio Pittogramma di avvertimento MS Motoseghe a benzina (MS) MS 311-Z STIHL
€8,20 IVA inc.
Spedire a
*
*
Metodo di spedizione
Nome
Stima di spedizione
Costo
Stima Spedizione non possibile
+ -
3 Sfiato serbatoio
Ricambio Sfiato serbatoio Motoseghe a benzina (MS) MS 311-Z STIHL
€19,55 IVA inc.
Spedire a
*
*
Metodo di spedizione
Nome
Stima di spedizione
Costo
Stima Spedizione non possibile
+ -
4 Tubo flessibile
Ricambio Tubo flessibile Motoseghe a benzina (MS) MS 311-Z STIHL
€12,26 IVA inc.
Spedire a
*
*
Metodo di spedizione
Nome
Stima di spedizione
Costo
Stima Spedizione non possibile
+ -
5 Succhieruola
Ricambio Succhieruola Motoseghe a benzina (MS) MS 311-Z STIHL
€14,40 IVA inc.
Spedire a
*
*
Metodo di spedizione
Nome
Stima di spedizione
Costo
Stima Spedizione non possibile
+ -
6 Tappo serbatoio
Ricambio Tappo serbatoio Motoseghe a benzina (MS) MS 311-Z STIHL Contiene anche i ricambi n. 7
€25,53 IVA inc.
Spedire a
*
*
Metodo di spedizione
Nome
Stima di spedizione
Costo
Stima Spedizione non possibile
+ -
7 O-ring 25x3,5
Ricambio O-ring 25x3,5 Motoseghe a benzina (MS) MS 311-Z STIHL
€2,59 IVA inc.
Spedire a
*
*
Metodo di spedizione
Nome
Stima di spedizione
Costo
Stima Spedizione non possibile
+ -
8 Tubo flessibile carburante
Ricambio Tubo flessibile carburante Motoseghe a benzina (MS) MS 311-Z STIHL
€18,24 IVA inc.
Spedire a
*
*
Metodo di spedizione
Nome
Stima di spedizione
Costo
Stima Spedizione non possibile
+ -
9 Tronchetto a squadra
Ricambio Tronchetto a squadra Motoseghe a benzina (MS) MS 311-Z STIHL
€11,76 IVA inc.
Spedire a
*
*
Metodo di spedizione
Nome
Stima di spedizione
Costo
Stima Spedizione non possibile
+ -
10 Riparo
Ricambio Riparo Motoseghe a benzina (MS) MS 311-Z STIHL
€7,47 IVA inc.
Spedire a
*
*
Metodo di spedizione
Nome
Stima di spedizione
Costo
Stima Spedizione non possibile
+ -
11 Vite per lamiera IS-P4x10
Ricambio Vite per lamiera IS-P4x10 Motoseghe a benzina (MS) MS 311-Z STIHL
€2,68 IVA inc.
Spedire a
*
*
Metodo di spedizione
Nome
Stima di spedizione
Costo
Stima Spedizione non possibile
+ -
12 Grilletto accelerazione
Ricambio Grilletto accelerazione Motoseghe a benzina (MS) MS 311-Z STIHL
€10,31 IVA inc.
Spedire a
*
*
Metodo di spedizione
Nome
Stima di spedizione
Costo
Stima Spedizione non possibile
+ -
13 Molla con gancio
Ricambio Molla con gancio Motoseghe a benzina (MS) MS 311-Z STIHL
€3,81 IVA inc.
Spedire a
*
*
Metodo di spedizione
Nome
Stima di spedizione
Costo
Stima Spedizione non possibile
+ -
14 Perno cilindrico 5x24
Ricambio Perno cilindrico 5x24 Motoseghe a benzina (MS) MS 311-Z STIHL
€2,15 IVA inc.
Spedire a
*
*
Metodo di spedizione
Nome
Stima di spedizione
Costo
Stima Spedizione non possibile
+ -
15 Leva di arresto
Ricambio Leva di arresto Motoseghe a benzina (MS) MS 311-Z STIHL
€9,46 IVA inc.
Spedire a
*
*
Metodo di spedizione
Nome
Stima di spedizione
Costo
Stima Spedizione non possibile
+ -
16 Semi-maniglia
Ricambio Semi-maniglia Motoseghe a benzina (MS) MS 311-Z STIHL
€9,97 IVA inc.
Spedire a
*
*
Metodo di spedizione
Nome
Stima di spedizione
Costo
Stima Spedizione non possibile
+ -
17 Albero di comando
Ricambio Albero di comando Motoseghe a benzina (MS) MS 311-Z STIHL
€14,55 IVA inc.
Spedire a
*
*
Metodo di spedizione
Nome
Stima di spedizione
Costo
Stima Spedizione non possibile
+ -
18 Molla di contatto
Ricambio Molla di contatto Motoseghe a benzina (MS) MS 311-Z STIHL
€6,34 IVA inc.
Spedire a
*
*
Metodo di spedizione
Nome
Stima di spedizione
Costo
Stima Spedizione non possibile
+ -
19 Tirante farfalla avviamento
Ricambio Tirante farfalla avviamento Motoseghe a benzina (MS) MS 311-Z STIHL
€4,25 IVA inc.
Spedire a
*
*
Metodo di spedizione
Nome
Stima di spedizione
Costo
Stima Spedizione non possibile
+ -
20 Semi-maniglia
Ricambio Semi-maniglia Motoseghe a benzina (MS) MS 311-Z STIHL
€10,43 IVA inc.
Spedire a
*
*
Metodo di spedizione
Nome
Stima di spedizione
Costo
Stima Spedizione non possibile
+ -
21 Albero di comando
Ricambio Albero di comando Motoseghe a benzina (MS) MS 311-Z STIHL
€14,55 IVA inc.
Spedire a
*
*
Metodo di spedizione
Nome
Stima di spedizione
Costo
Stima Spedizione non possibile
+ -
22 Molla di contatto
Ricambio Molla di contatto Motoseghe a benzina (MS) MS 311-Z STIHL
€13,24 IVA inc.
Spedire a
*
*
Metodo di spedizione
Nome
Stima di spedizione
Costo
Stima Spedizione non possibile
+ -
23 Tirante farfalla avviamento
Ricambio Tirante farfalla avviamento Motoseghe a benzina (MS) MS 311-Z STIHL
€4,25 IVA inc.
Spedire a
*
*
Metodo di spedizione
Nome
Stima di spedizione
Costo
Stima Spedizione non possibile
+ -
24 Tirante comando gas
Ricambio Tirante comando gas Motoseghe a benzina (MS) MS 311-Z STIHL
€14,30 IVA inc.
Spedire a
*
*
Metodo di spedizione
Nome
Stima di spedizione
Costo
Stima Spedizione non possibile
+ -
Scrivi la tua recensione
*
*
  • Pessimo
  • Eccellente