Metodi di pagamento HobbyStore

Motore Agricolo Diesel K 9000 HD

Motore DIESEL da 9,2 HP ad albero orizzontale da 25,4 mm per sostituire il tuo vecchio motore della motozappa motocoltivatore o altro mezzo agricolo. Il sistema di distribuzione e le valvole posizionate in testa (OHV) ne garantiscono una lunga vita.
PAga in tre rate con Klarna
PAga in tre rate con Klarna
PAga in tre rate con Klarna black
Produttore:: OLEOMAC
Prezzo valido solo Online
€1119,00 IVA inc.
€1049,00 IVA inc.
Spedire a
*
*
Metodo di spedizione
Nome
Stima di spedizione
Costo
Stima Spedizione non possibile
+ -

Motore Agricolo K 9000 HD 9,2 Hp

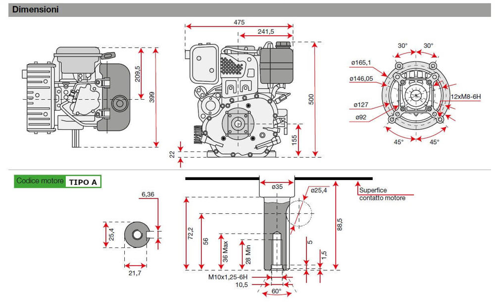
SCEGLI IL TIPO DI MOTORE GUARDANDO QUESTO SCHEMA PER VEDERE LE CARATTERISTICHE DEL MOTORE CHE DEVONO ESSERE UGUALI AL TUO VECCHIO (SOPRATTUTTO PER QUANTO RIGUARDA LE DIMENSIONI DELL'ASSE DI TRASMISSIONE)

 

DIMENSIONI MOTORI

 I motori ad albero orizzontale vengono forniti in diverse cilindrate e potenze per soddisfare ogni esigenza. Si caratterizzano per facilità di avviamento, semplicità di funzionamento, elevata potenza e sono conformi agli standard ambientali europei (Stage 5).

Il sistema di distribuzione e le valvole posizionate in testa (OHV) ne garantiscono una lunga vita.

CARATTERISTICHE DEL MOTORE EMAK:

  • Facilità di avviamento: sistema di distribuzione e puleggia avviamento di ampie dimensioni per un avviamento sicuro e senza sforzi.

  • Filtro bagno olio a due stadi di filtraggio, spugna ed olio, trattiene ogni impurità prima che entri in camera di combustione prolungando la vita utile del motore. 

  • Compatibilità totale: questi motori compatti, potenti, dotati di alimentazione benzina o diesel come anche disponibili in versione avviamento elettrico, si prestano ad esser utilizzati in diversi impieghi agricoli.

  • Facilità di manutenzione: la pulizia delle varie componenti (filtro olio, candela, carter avviamento ecc.) come anche la sostituzione dell’olio motore sono rese più accessibili grazie al suo layout costruttivo.

LEGENDA DELLE CARATTERISTICHE DEI MOTORI EMAK:

LEGENDA motore Emak

CARATTERISTICHE TECNICHE DEL MOTORE K9000:

  • Potenza netta 9.2 HP - 6.8 kW / 3600 rpm
  • Coppia netta 22 N.m / 2400 rpm
  • Alesaggio x corsa 86 mm × 76 mm
  • Cilindrata 441 cc
  • Avviamento Autoavvolgente - Autoavvolgente/elettrico (TIPO A)
  • Capacità carburante 4.5 L
  • Capacità olio motore 1.6 L
  • Dimensioni 399 × 475 × 500 mm
  • Peso netto 51 kg
  • DISPOSITIVI SU QUESTO MOTORE:
    5 stage   ohv Technology   Filtro in bagno d'olio     

Logo Oleomac

Recensisci HobbyStore su Trustpilot

Motore Agricolo K 9000 HD 9,2 Hp

SCEGLI IL TIPO DI MOTORE GUARDANDO QUESTO SCHEMA PER VEDERE LE CARATTERISTICHE DEL MOTORE CHE DEVONO ESSERE UGUALI AL TUO VECCHIO (SOPRATTUTTO PER QUANTO RIGUARDA LE DIMENSIONI DELL'ASSE DI TRASMISSIONE)

 

DIMENSIONI MOTORI

 I motori ad albero orizzontale vengono forniti in diverse cilindrate e potenze per soddisfare ogni esigenza. Si caratterizzano per facilità di avviamento, semplicità di funzionamento, elevata potenza e sono conformi agli standard ambientali europei (Stage 5).

Il sistema di distribuzione e le valvole posizionate in testa (OHV) ne garantiscono una lunga vita.

CARATTERISTICHE DEL MOTORE EMAK:

  • Facilità di avviamento: sistema di distribuzione e puleggia avviamento di ampie dimensioni per un avviamento sicuro e senza sforzi.

  • Filtro bagno olio a due stadi di filtraggio, spugna ed olio, trattiene ogni impurità prima che entri in camera di combustione prolungando la vita utile del motore. 

  • Compatibilità totale: questi motori compatti, potenti, dotati di alimentazione benzina o diesel come anche disponibili in versione avviamento elettrico, si prestano ad esser utilizzati in diversi impieghi agricoli.

  • Facilità di manutenzione: la pulizia delle varie componenti (filtro olio, candela, carter avviamento ecc.) come anche la sostituzione dell’olio motore sono rese più accessibili grazie al suo layout costruttivo.

LEGENDA DELLE CARATTERISTICHE DEI MOTORI EMAK:

LEGENDA motore Emak

CARATTERISTICHE TECNICHE DEL MOTORE K9000:

  • Potenza netta 9.2 HP - 6.8 kW / 3600 rpm
  • Coppia netta 22 N.m / 2400 rpm
  • Alesaggio x corsa 86 mm × 76 mm
  • Cilindrata 441 cc
  • Avviamento Autoavvolgente - Autoavvolgente/elettrico (TIPO A)
  • Capacità carburante 4.5 L
  • Capacità olio motore 1.6 L
  • Dimensioni 399 × 475 × 500 mm
  • Peso netto 51 kg
  • DISPOSITIVI SU QUESTO MOTORE:
    5 stage   ohv Technology   Filtro in bagno d'olio     

Logo Oleomac

Scrivi la tua recensione
*
*
  • Pessimo
  • Eccellente