Coppie di serraggio HT 103

Coppie di serraggio Sramatori telescopici (HT) HT 103 della marca STIHL
PAga in tre rate con Klarna
PAga in tre rate con Klarna
PAga in tre rate con Klarna black
Produttore:: STIHL

In caso di ordine dei ricambi ricordati di inserie nel campo "note varie" in fase di inserimento dei tuoi dati di spedizione, anche IL NUMERO DI SERIE DELLA TUA MACCHINA..

...Solo così potrai permettere al nostro staff di spedirti i RICAMBI CORRETTI per la tua macchina 
(in alternativa scrivi l'anno di acquisto della macchina , foto del ricambio ecc.)

...In caso di mancata trasmissione di tali informazioni, saremo costretti ad applicare una penale del 20% sul valore del ricambio in caso di richiesta di rimborso o della sostituzione.

ATTENZIONE: Se non immediatamente disponibili, le tempistiche sono di 5-10 GIORNI LAVORATIVI.

ATTENZIONE: Se nella lista sotto non compaiono i relativi ricambi riportati nell'esploso

...significa che  non è possibile più acquistarli in quanto NON PIU' FORNIBILI E/O OBSOLETI

In caso di ordine di ricambi per il tuo prodotto Sramatori telescopici (HT) HT 103 della Stihl, per permettere al nostro staff di spedirti i ricambi corretti, inserire, nella pagina finale del carrello nel campo Note varie, anno della macchina e, se disponibile, il suo numero di matricola.

In caso di ordine di ricambi per il tuo prodotto Sramatori telescopici (HT) HT 103 della Stihl, per permettere al nostro staff di spedirti i ricambi corretti, inserire, nella pagina finale del carrello nel campo Note varie, anno della macchina e, se disponibile, il suo numero di matricola.

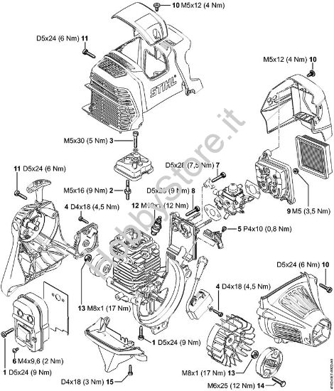
1 Vite per plastica IS-D5x24
Ricambio Vite per plastica IS-D5x24 Sramatori telescopici (HT) HT 103 STIHL
€3,22 IVA inc.
Spedire a
*
*
Metodo di spedizione
Nome
Stima di spedizione
Costo
Stima Spedizione non possibile
+ -
2 Vite a collare M5
Ricambio Vite a collare M5 Sramatori telescopici (HT) HT 103 STIHL
€6,98 IVA inc.
Spedire a
*
*
Metodo di spedizione
Nome
Stima di spedizione
Costo
Stima Spedizione non possibile
+ -
3 Vite a stella IS-M5x30
Ricambio Vite a stella IS-M5x30 Sramatori telescopici (HT) HT 103 STIHL
€3,76 IVA inc.
Spedire a
*
*
Metodo di spedizione
Nome
Stima di spedizione
Costo
Stima Spedizione non possibile
+ -
4 Vite per plastica IS-D4x18
Ricambio Vite per plastica IS-D4x18 Sramatori telescopici (HT) HT 103 STIHL
€2,68 IVA inc.
Spedire a
*
*
Metodo di spedizione
Nome
Stima di spedizione
Costo
Stima Spedizione non possibile
+ -
5 Vite per lamiera IS-P4x10
Ricambio Vite per lamiera IS-P4x10 Sramatori telescopici (HT) HT 103 STIHL
€2,68 IVA inc.
Spedire a
*
*
Metodo di spedizione
Nome
Stima di spedizione
Costo
Stima Spedizione non possibile
+ -
6 Vite Parker M4x9,6
Ricambio Vite Parker M4x9,6 Sramatori telescopici (HT) HT 103 STIHL
€2,68 IVA inc.
Spedire a
*
*
Metodo di spedizione
Nome
Stima di spedizione
Costo
Stima Spedizione non possibile
+ -
7 Vite per plastica IS-D5x28
Ricambio Vite per plastica IS-D5x28 Sramatori telescopici (HT) HT 103 STIHL
€3,76 IVA inc.
Spedire a
*
*
Metodo di spedizione
Nome
Stima di spedizione
Costo
Stima Spedizione non possibile
+ -
8 Vite per plastica IS-D5x28
Ricambio Vite per plastica IS-D5x28 Sramatori telescopici (HT) HT 103 STIHL
€3,76 IVA inc.
Spedire a
*
*
Metodo di spedizione
Nome
Stima di spedizione
Costo
Stima Spedizione non possibile
+ -
9 Dado esagonale M5
Ricambio Dado esagonale M5 Sramatori telescopici (HT) HT 103 STIHL
€1,76 IVA inc.
Spedire a
*
*
Metodo di spedizione
Nome
Stima di spedizione
Costo
Stima Spedizione non possibile
+ -
10 Vite D
Ricambio Vite D Sramatori telescopici (HT) HT 103 STIHL
€4,44 IVA inc.
Spedire a
*
*
Metodo di spedizione
Nome
Stima di spedizione
Costo
Stima Spedizione non possibile
+ -
11 Vite per plastica IS-D5x24
Ricambio Vite per plastica IS-D5x24 Sramatori telescopici (HT) HT 103 STIHL
€3,22 IVA inc.
Spedire a
*
*
Metodo di spedizione
Nome
Stima di spedizione
Costo
Stima Spedizione non possibile
+ -
12 Candela Bosch USR7AC
Ricambio Candela Bosch USR7AC Sramatori telescopici (HT) HT 103 STIHL
€13,21 IVA inc.
Spedire a
*
*
Metodo di spedizione
Nome
Stima di spedizione
Costo
Stima Spedizione non possibile
+ -
13 Dado esagonale M8x1
Ricambio Dado esagonale M8x1 Sramatori telescopici (HT) HT 103 STIHL
€2,29 IVA inc.
Spedire a
*
*
Metodo di spedizione
Nome
Stima di spedizione
Costo
Stima Spedizione non possibile
+ -
14 Vite a testa esagonale M6
Ricambio Vite a testa esagonale M6 Sramatori telescopici (HT) HT 103 STIHL
€4,44 IVA inc.
Spedire a
*
*
Metodo di spedizione
Nome
Stima di spedizione
Costo
Stima Spedizione non possibile
+ -
15 Vite per plastica IS-D4x18
Ricambio Vite per plastica IS-D4x18 Sramatori telescopici (HT) HT 103 STIHL
€2,68 IVA inc.
Spedire a
*
*
Metodo di spedizione
Nome
Stima di spedizione
Costo
Stima Spedizione non possibile
+ -
Scrivi la tua recensione
*
*
  • Pessimo
  • Eccellente